Unidades de rodamientos de bolas UCP211
Cojinete de bloque de almohada: el cojinete de inserción con alojamiento es un tipo de unidad de rodamiento que combina rodamientos con alojamiento. La mayoría de los rodamientos esféricos exteriores están hechos de un diámetro exterior esférico y se instalan junto con un asiento de rodamiento importado con un orificio interior esférico. La estructura es diversa, y la versatilidad y la intercambiabilidad son buenas.
Al mismo tiempo, este tipo de rodamiento también tiene un cierto grado de alineación en el diseño, es fácil de instalar y tiene un dispositivo de sellado de estructura dual que puede funcionar en entornos hostiles.
El asiento del cojinete generalmente se forma por fundición. Los asientos comúnmente utilizados son el asiento vertical (P), el asiento cuadrado (F), el asiento cuadrado ( FS), el asiento redondo (FC), el asiento de diamante (FL), el asiento de anillo (C), el asiento deslizante (T) Espere.
Se usa comúnmente en minería, metalurgia, agricultura, industria química, textil, impresión y teñido, maquinaria de transporte, etc.
Unidades de rodamientos de bolas UCP211
Cojinete de chumacera: El rodamiento de inserción con carcasa es un tipo de unidad de rodamiento que combina un rodamiento con una carcasa. La mayoría de los rodamientos esféricos exteriores están hechos de un diámetro exterior esférico y se instalan junto con un asiento de rodamiento importado con un orificio interior esférico.
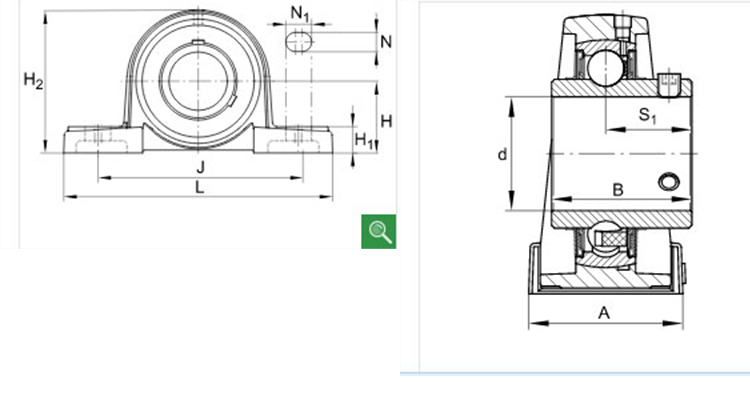
Foto de Unidades de rodamientos de bolas UCP211
Parámetro de Unidades de rodamientos de bolas UCP211
Diámetro interior (d) |
55 mm |
Longitud (L) |
219 mm |
Altura (H) |
63,5 mm |
Capacidad de carga dinámica básica Cr |
43.6KN |
Capacidad de carga estática básica Cor |
29 KN |
Peso |
≈3,60 KG |
Embalaje de unidades de rodamientos de bolas UCP211
1. Empaque a granel = empaque simple y costo económico;
2. Marca neutral = sin marca/su marca, caja individual blanca;
3. Marca HGF, marca TCV, marca UGK, caja de embalaje de nuestra propia marca;
4. OEM, acepte la personalización de la caja de su marca;
Acerca de la producción
La fábrica de HGF fue construida en 2008, cubriendo 30000 metros cuadrados, talleres de 2000 metros cuadrados;
Nuestros productos han pasado los certificados ISO 9001, CE, SGS, etc. ha exportado a más de 120 países y 50 agentes de marca en el mundo;
Nuestra ventaja:
Elija una excelente materia prima de acero;
3 líneas de producción y 60 juegos de máquinas, producen y ensamblan varios tipos de rodamientos;
Equipo de prueba de alta precisión; 20 equipos de inspección de calidad profesional;
Taller de embalaje de 1000M²; 4 equipos de embalaje;
Almacenamiento inteligente, diferentes tipos y tamaños de rodamientos se almacenan por separado.
Rica experiencia exportadora, ofrece una mejor sugerencia de envío;
CONTÁCTENOS:
MIKE GUO:
TEL: 0086 531 82890388
CORREO ELECTRÓNICO: hgzc@hgzc.com ;
WHATSAPP Y WECHAT: 0086 18805311522
SKYPE: en vivo: jnbearing_1
Gracias por elegirnos!!!
Noticias relacionadas
Enviado satisfactoriamente
Nos pondremos en contacto con usted tan pronto como sea posible









