Rodamiento rígido de bolas
      
        Los rodamientos rígidos de bolas son el tipo de rodamiento más utilizado y son particularmente versátiles. Tienen baja fricción y están optimizados para un bajo nivel de ruido y vibración, lo que permite altas velocidades de rotación. Admiten cargas radiales y axiales en ambas direcciones, son fáciles de montar y requieren menos mantenimiento que otros tipos de rodamientos.
El rodamiento rígido de bolas se caracteriza por una baja resistencia a la fricción y una alta velocidad. Se puede utilizar en piezas que soporten carga radial o una carga combinada que actúe sobre la radial y la axial simultáneamente. También se puede utilizar en piezas que soportan carga axial, como motores de baja potencia, cajas de cambios de automóviles y tractores, cajas de cambios de máquinas herramienta, máquinas en general, herramientas, etc.
Especificación de Rodamiento rígido de bolas
| Título | 6305 | 
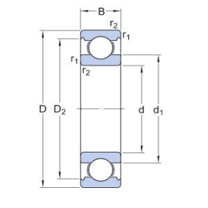
| Diámetro interior (d) | 25 MM | 
| Diámetro exterior (D) | 62 MM | 
| Espesor (T) | 17 MM | 
| pesa | 0.23 Kg | 
Detalle de Cojinete rígido de bolas
            |||      || ||             ||  || 
Características de Rodamiento rígido de bolas
Serie de rodamientos de bolas: 16000/6000/6200/6300/6400/6800/6900
Según el tamaño de los rodamientos rígidos de bolas se pueden dividir en:
Rodamientos en miniatura --- rodamientos con un rango de diámetro exterior nominal de 26 mm o menos;
Rodamientos pequeños --- rodamientos con un rango de diámetro exterior nominal de 28-55 mm;
Rodamientos pequeños y medianos-rodamientos con un rango de diámetro exterior nominal de 60-115 mm;
Rodamientos medianos y grandes --- rodamientos con un rango de diámetro exterior nominal de 120-190 mm
Rodamientos grandes---rodamientos con un rango de diámetro exterior nominal de 200-430 mm;
Rodamientos extragrandes --- rodamientos con un rango de diámetro exterior nominal de 440 mm o más.
Noticias relacionadas
Enviado satisfactoriamente
Nos pondremos en contacto con usted tan pronto como sea posible

 English
 English
 Português
 Português
 العربية
 العربية
 Türk
 Türk

 
                      
                    

 
                   
                   
                  