Cojinete de rodillos cónicos 30217 Dimensiones
Los rodamientos de rodillos cónicos comprenden un anillo exterior e interior con caminos de rodadura cónicos, así como rodillos cónicos en una jaula de ventana.
Los rodamientos de rodillos cónicos se utilizan principalmente para soportar cargas radiales y axiales combinadas, principalmente cargas radiales. En comparación con los rodamientos de bolas de contacto angular, tiene una mayor capacidad de carga y un límite de velocidad más bajo. Los rodamientos de rodillos cónicos pueden soportar cargas axiales en una dirección y limitar el desplazamiento axial del eje o la carcasa en una dirección.
Según el número de filas de elementos rodantes en el rodamiento, se divide en rodamientos de rodillos cónicos de una fila, dos filas y cuatro filas. El usuario debe ajustar la holgura de los rodamientos de rodillos cónicos de una hilera durante la instalación; Las holguras de los rodamientos de rodillos cónicos de dos y cuatro filas se han establecido en fábrica de acuerdo con los requisitos del usuario y no se requiere ningún ajuste por parte del usuario.
Los rodamientos de rodillos cónicos se utilizan ampliamente en industrias tales como automóviles, trenes de laminación, minería, metalurgia y maquinaria plástica.
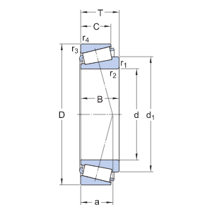
Cojinete de rodillos cónicos 30217 Dimensiones
Imagen de Cojinete de rodillos cónicos 30217 Dimensiones
Parámetro de Cojinete de rodillos cónicos 30217 Dimensiones
Diámetro interior (d) |
85mm |
Diámetro exterior (D) |
150mm |
Ancho (B) |
28mm |
Capacidad de carga dinámica básica Cr |
216 KN |
Capacidad de carga estática básica Cor |
220 KN |
Peso |
≈ 2,05 KG |
Embalaje de Cojinete de rodillos cónicos 30217 Dimensiones
1. Embalaje a granel = embalaje simple y costo económico;
2. Marca neutral = sin marca/su marca, caja individual blanca;
3. Marca HGF, marca TCV, marca UGK, caja de embalaje de nuestra propia marca;
4. OEM, acepte la personalización de la caja de su marca;
Acerca de la producción
La fábrica de HGF fue construida en 2008, cubriendo 30000 metros cuadrados, talleres de 2000 metros cuadrados;
Nuestros productos han pasado los certificados ISO 9001, CE, SGS, etc. ha exportado a más de 120 países y 50 agentes de marca en el mundo;
Nuestra ventaja:
Elija una excelente materia prima de acero;
3 líneas de producción y 60 juegos de máquinas, producen y ensamblan varios tipos de rodamientos;
Equipo de prueba de alta precisión; 20 equipos de inspección de calidad profesional;
Taller de embalaje de 1000M²; 4 equipos de embalaje;
Almacenamiento inteligente, diferentes tipos y tamaños de rodamientos se almacenan por separado.
Rica experiencia exportadora, ofrece una mejor sugerencia de envío;
CONTÁCTENOS:
MIKE GUO:
TEL: 0086 531 82890388
CORREO ELECTRÓNICO: hgzc@hgzc.com ;
WHATSAPP Y WECHAT: 0086 18805311522
SKYPE: en vivo: jnbearing_1
Gracias por elegirnos!!!
Noticias relacionadas
Enviado satisfactoriamente
Nos pondremos en contacto con usted tan pronto como sea posible









