Cojinete de bolas de empuje
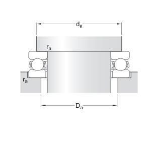
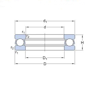
Los rodamientos axiales de bolas se componen de una fila de bolas de acero (con jaula), una arandela de eje (que encaja firmemente con el eje) y una carrera (hay un espacio con el eje pero encaja firmemente con el orificio del asiento del cojinete), la bola de acero gira entre la arandela del eje y la carrera. Solo puede soportar carga axial en una dirección, no carga radial. Debido a que la carga axial se distribuye uniformemente en cada bola de acero, la capacidad de carga es relativamente grande; sin embargo, el aumento de temperatura es relativamente grande durante el funcionamiento y la velocidad límite permitida es relativamente baja.
El rodamiento de bolas de empuje es un rodamiento separable. Según su estructura, se dividen en rodamientos de bolas de empuje unidireccionales y rodamientos de bolas de empuje bidireccionales. Los rodamientos axiales de bolas unidireccionales pueden soportar cargas axiales en una dirección, y los rodamientos axiales de bolas bidireccionales pueden soportar cargas axiales en dos direcciones. Ninguno de ellos puede soportar la carga radial. Los rodamientos axiales de bolas también tienen una estructura con cojín. Debido a que la superficie de montaje del cojín es esférica, el rodamiento tiene un rendimiento de autoalineación, lo que puede reducir la influencia de los errores de instalación.
Especificación de Cojinete de bolas de empuje
Título |
51100 |
Diámetro interior (d) |
10mm |
Diámetro exterior (D) |
24mm |
Espesor (T) |
9 mm |
peso |
0,02 kg |
Detalles de Cojinete de bolas de empuje

La tecnología está probando el funcionamiento de los equipos.
Noticias relacionadas
Enviado satisfactoriamente
Nos pondremos en contacto con usted tan pronto como sea posible



