Rodamientos de rodillos de grado de precisión 29340E Jinan Bearings
Los rodamientos de rodillos axiales se utilizan para soportar la carga axial y radial combinada, que es principalmente la carga axial, pero la carga radial no debe exceder el 55 % de la carga axial. Este tipo de cojinete tiene un bajo factor de fricción, alta velocidad y un rendimiento de autoalineación.
Los rodillos de los rodamientos tipo 29000 son rodillos esféricos asimétricos, que pueden reducir el deslizamiento relativo de los rodillos y las pistas de rodadura durante el funcionamiento. Los rodillos son largos y de gran diámetro, con gran número de rodillos y alta capacidad de carga. Suelen estar lubricados con aceite. , La lubricación con grasa se puede utilizar en situaciones individuales de baja velocidad.
Los rodamientos axiales de rodillos cilíndricos tipo 80000, los rodamientos axiales de rodillos cónicos tipo 90000 y los rodamientos axiales de agujas tipo AXK pueden soportar cargas axiales unidireccionales. Tiene una capacidad de carga axial mucho mayor que los rodamientos axiales de bolas y tiene mayor rigidez. Ocupa poco espacio axial.
Los rodamientos axiales de rodillos cilíndricos y los rodamientos axiales de rodillos cónicos son adecuados para ocasiones de baja velocidad, los rodamientos axiales de rodillos cónicos tienen una velocidad ligeramente mayor que los rodamientos axiales de rodillos cilíndricos.
Los rodamientos axiales de rodillos cilíndricos se utilizan principalmente en maquinaria como máquinas herramienta de servicio pesado, cajas de cambios marinas de alta potencia, plataformas de perforación petrolera y motores verticales.
Tamaño del rodamiento de rodillos de empuje 29340 EM
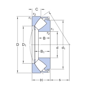
Foto de 29340 Tamaño del rodamiento de rodillos de empuje EM
Parámetro de 29340 Tamaño del rodamiento de rodillos de empuje EM
Diámetro interior (d) |
200mm |
Diámetro exterior (D) |
340mm |
Ancho (B) |
85mm |
Capacidad de carga dinámica básica Cr |
1860 KN |
Capacidad de carga estática básica Cor |
5500 KN |
Peso |
≈ 28,61 KG |
Embalaje de 29340 Tamaño del rodamiento de rodillos de empuje EM
1. Embalaje a granel = embalaje simple y costo económico;
2. Marca neutral = sin marca/su marca, caja individual blanca;
3. Marca HGF, marca TCV, marca UGK, caja de embalaje de nuestra propia marca;
4. OEM, acepte la personalización de la caja de su marca;
Acerca de la producción
La fábrica de HGF fue construida en 2008, cubriendo 30000 metros cuadrados, talleres de 2000 metros cuadrados;
Nuestros productos han pasado los certificados ISO 9001, CE, SGS, etc. ha exportado a más de 120 países y 50 agentes de marca en el mundo;
Nuestra ventaja:
Elija una excelente materia prima de acero;
3 líneas de producción y 60 juegos de máquinas, producen y ensamblan varios tipos de rodamientos;
Equipo de prueba de alta precisión; 20 equipos de inspección de calidad profesional;
Taller de embalaje de 1000M²; 4 equipos de embalaje;
Almacenamiento inteligente, diferentes tipos y tamaños de rodamientos se almacenan por separado.
Rica experiencia exportadora, ofrece una mejor sugerencia de envío;
CONTÁCTENOS:
MIKE GUO:
TEL: 0086 531 82890388
CORREO ELECTRÓNICO: hgzc@hgzc.com ;
WHATSAPP Y WECHAT: 0086 18805311522
SKYPE: en vivo: jnbearing_1
Gracias por elegirnos!!!
Noticias relacionadas
Enviado satisfactoriamente
Nos pondremos en contacto con usted tan pronto como sea posible










