Cojinete de cubo de rueda
La función principal del cojinete del cubo es soportar la carga y proporcionar una guía precisa para la rotación del cubo. Soporta cargas axiales y radiales y es un componente muy importante.
Los rodamientos tradicionales para ruedas de automóviles se componen de dos juegos de rodamientos de rodillos cónicos o rodamientos de bolas.
La instalación, el engrase, el sellado y el ajuste de la holgura de los cojinetes del cubo de la rueda se realizan en la línea de producción de automóviles. Esta estructura hace que sea difícil de ensamblar en plantas de producción de automóviles, alto costo y poca confiabilidad, y los cojinetes deben limpiarse, engrasarse y ajustarse cuando el automóvil se mantiene en el punto de reparación. La unidad de rodamiento de cubo se desarrolla sobre la base de rodamientos de bolas de contacto angular estándar y rodamientos de rodillos cónicos.
Especificación de Cojinete de cubo de rueda
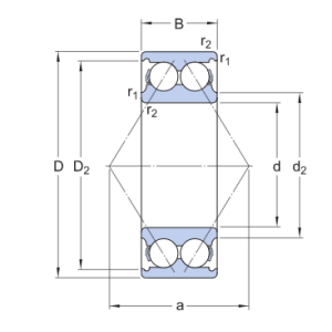
Título |
DAC45840045 |
Diámetro interior (d) |
48 mm |
Diámetro exterior (D) |
84 MM |
Espesor (T) |
45 MM |
pesa |
0,97 Kg |
Dibujo estructural de Cojinete de cubo de rueda
||| || || || ||
Debido a la realidad de 2014, participamos en exhibiciones de rodamientos para el hogar, exhibiciones de sistemas, exhibiciones de accesorios de hardware, equipos de minería y ciertamente exhibiciones únicas;
Al mismo tiempo, participe en exposiciones de lugares extranjeros: del lado de las exposiciones del sudeste asiático, exposiciones sudamericanas, exposiciones del centro este, exposiciones rusas y muchas otras.;
Participe en la exposición, comprenda la demanda del mercado de rodamientos, proporcione los productos correspondientes y mejore continuamente su propia competitividad.

Pruebas relevantes de Cojinete de cubo de rueda:
Analizador metalográfico:
Instrumento de medición de espesor de pared H904
Perfilador de rugosidad X-3
altímetro electrónico
Altímetro G903 - Altímetro G903
Altímetro G905 - Altímetro G905
Instrumento de medición de rodillos D051
Instrumento de medición de diámetro interior D713
Instrumento de medición de diferencia vertical de diámetro interior C923
Instrumento de medición del descentramiento radial interno y externo ST500
Instrumento de medición de diámetro exterior D914
Instrumento de medición universal D904
Medidor de espacio de aceite X293A
Medidor de vibraciones

Noticias relacionadas
Enviado satisfactoriamente
Nos pondremos en contacto con usted tan pronto como sea posible






